AC Scan Magnet
- Model #: SM97-A
- Last modification: Jun/9/2025
contact us about this product
D-Pace has developed the SM97-A AC Scan Magnet system that produces flat-topped raster-scanned (rectangular) or circular charged particle beam distributions on target.
- Distribute beam power on targets
- Use standard patterns or application-specific
- Magnetic AC field strength up to 270 Gauss1
- Magnetic DC field strength up to 250 Gauss
- Scan frequencies up to 250 Hz2
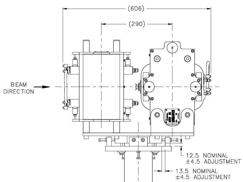
- Pole gap 97 mm
- Compact laminated-core construction.
- Magnets available individually or as turnkey system complete with power supplies, instrument rack and beam pipe
The D-Pace Scanning Magnet System is used to deflect a charged particle beam, usually for the purpose of managing power density on targets. Typically used in pairs – one to scan in the X plane, and one to scan in the Y plane – these AC magnets are driven by a dual-axis waveform generator and bi-polar power supplies, which D-Pace can provide in an optional 19” half-height cabinet. Standard patterns include Lissajous, circular, and square raster patterns. D-Pace can create new profiles for customers’ specific requirements. Power distribution on the target determines the scanning pattern required. New profiles can be uploaded via USB from the customer’s PC. D-Pace can also provide beam pipes or bellows with customer-specific flanges.
- With power supply 20 A, 50 V, 70 Hz maximum.
- With 2 A, 65 V power supply (100 Gauss maximum).
An example application for this device with a 50 kW beamline for Boron Neutron Capture Therapy can be found in the following technical paper: WEPMA004.PDF
Download(s)
